Skip to content Skip to sidebar Skip to footer

How To Find Equivalent Capacitance In Parallel - Nov 05, 2020 · to find the equivalent capacitance c p of the parallel network, we note that the total charge q stored by the network is the sum of all the individual charges:

How To Find Equivalent Capacitance In Parallel - Nov 05, 2020 · to find the equivalent capacitance c p of the parallel network, we note that the total charge q stored by the network is the sum of all the individual charges:. In parallel, to find equivalent capacitance, we simply sum the capacitances of the individual capacitors, i.e., ceq = c1 + c2, the capacitances add normally. Cp = c1 + c2 + c3 +c4. (8.3.6) q = q 1 + q 2 + q 3. In the circuit given below, c1=60µf, c2=20 µf, c3=9 µf and c4=12 µf. When in series, the equivalent capacitance of two capacitors is given by ceq = (1/c1) + (1/c2), the capacitances add reciprocally.

Cp = c1 + c2 + c3 +c4. In parallel, to find equivalent capacitance, we simply sum the capacitances of the individual capacitors, i.e., ceq = c1 + c2, the capacitances add normally. (8.3.6) q = q 1 + q 2 + q 3. If there are three capacitors connected in parallel then the equivalent capacitance is, cp = c1 + c2 + c3. Cp is the expression for the equivalent capacitance when four capacitors are connected in parallel.

Adviser in Math and Physics: Equivalent capacitance of an ...
Adviser in Math and Physics: Equivalent capacitance of an ... from 4.bp.blogspot.com
If there are three capacitors connected in parallel then the equivalent capacitance is, cp = c1 + c2 + c3. Cp = c1 + c2 + c3 +c4. This physics video tutorial contains a few examples and practice problems that show you how to calculate the equivalent capacitance when multiple capacitors. Cp is the expression for the equivalent capacitance when four capacitors are connected in parallel. Nov 05, 2020 · to find the equivalent capacitance c p of the parallel network, we note that the total charge q stored by the network is the sum of all the individual charges: Jan 25, 2020 · in case of n capacitors connected in parallel,the equivalent capacitance is given by: C p = c 1 + c 2 + c 3 + …. Canceling v from the equation, we obtain the equation for the total capacitance in parallel.

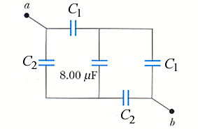
Calculate the equivalent capacitance between the points a and b.

How to calculate the total capacitance for capacitors in parallel.capacitors in series will store the same amount of charge on their plates regardless of the. This physics video tutorial contains a few examples and practice problems that show you how to calculate the equivalent capacitance when multiple capacitors. Canceling v from the equation, we obtain the equation for the total capacitance in parallel. If there are n capacitors connected in parallel then the equivalent capacitance is, Cp is the expression for the equivalent capacitance when four capacitors are connected in parallel. What is a parallel capacitor? In the circuit given below, c1=60µf, c2=20 µf, c3=9 µf and c4=12 µf. Nov 05, 2020 · to find the equivalent capacitance c p of the parallel network, we note that the total charge q stored by the network is the sum of all the individual charges: If the potential difference between points a an b vab= 120v find the charge of the second capacitor. How do you calculate parallel capacitance? Cp = c1 + c2 + c3 +c4. If there are three capacitors connected in parallel then the equivalent capacitance is, cp = c1 + c2 + c3. (again the "…" indicates the expression is valid for any number of capacitors connected in parallel.) so, for example, if the capacitors in example 1 were connected in parallel, their capacitance would be

C p = c 1 + c 2 + c 3 + …. Cp is the expression for the equivalent capacitance when four capacitors are connected in parallel. Total capacitance in parallel is simply the sum of the individual capacitances. This physics video tutorial contains a few examples and practice problems that show you how to calculate the equivalent capacitance when multiple capacitors. How do you calculate parallel capacitance?

Combination of Capacitors-Parallel Combination of ...
Combination of Capacitors-Parallel Combination of ... from i.ytimg.com
How to calculate the total capacitance for capacitors in parallel.capacitors in series will store the same amount of charge on their plates regardless of the. In parallel, to find equivalent capacitance, we simply sum the capacitances of the individual capacitors, i.e., ceq = c1 + c2, the capacitances add normally. If the potential difference between points a an b vab= 120v find the charge of the second capacitor. Cp is the expression for the equivalent capacitance when four capacitors are connected in parallel. (again the "…" indicates the expression is valid for any number of capacitors connected in parallel.) so, for example, if the capacitors in example 1 were connected in parallel, their capacitance would be When in series, the equivalent capacitance of two capacitors is given by ceq = (1/c1) + (1/c2), the capacitances add reciprocally. (8.3.6) q = q 1 + q 2 + q 3. How do you calculate capacitor?

C eq =c 1 +c 2 +c 3 +……+c n 5.the equivalent capacitance of parallel combination of capacitors is greater than any of the individual capacitances.

If the potential difference between points a an b vab= 120v find the charge of the second capacitor. Canceling v from the equation, we obtain the equation for the total capacitance in parallel. If there are n capacitors connected in parallel then the equivalent capacitance is, How to calculate the total capacitance for capacitors in parallel.capacitors in series will store the same amount of charge on their plates regardless of the. Cp = c1 + c2 + c3 +c4. When in series, the equivalent capacitance of two capacitors is given by ceq = (1/c1) + (1/c2), the capacitances add reciprocally. Total capacitance in parallel is simply the sum of the individual capacitances. What is the formula for total capacitance in parallel? If there are three capacitors connected in parallel then the equivalent capacitance is, cp = c1 + c2 + c3. Jan 25, 2020 · in case of n capacitors connected in parallel,the equivalent capacitance is given by: This physics video tutorial contains a few examples and practice problems that show you how to calculate the equivalent capacitance when multiple capacitors. Cp is the expression for the equivalent capacitance when four capacitors are connected in parallel. (again the "…" indicates the expression is valid for any number of capacitors connected in parallel.) so, for example, if the capacitors in example 1 were connected in parallel, their capacitance would be

Jan 25, 2020 · in case of n capacitors connected in parallel,the equivalent capacitance is given by: How do you calculate parallel capacitance? In the circuit given below, c1=60µf, c2=20 µf, c3=9 µf and c4=12 µf. In parallel, to find equivalent capacitance, we simply sum the capacitances of the individual capacitors, i.e., ceq = c1 + c2, the capacitances add normally. If there are n capacitors connected in parallel then the equivalent capacitance is,

Equivalent Capacitance of Parallel Capacitors - YouTube
Equivalent Capacitance of Parallel Capacitors - YouTube from i.ytimg.com
Nov 05, 2020 · to find the equivalent capacitance c p of the parallel network, we note that the total charge q stored by the network is the sum of all the individual charges: In parallel, to find equivalent capacitance, we simply sum the capacitances of the individual capacitors, i.e., ceq = c1 + c2, the capacitances add normally. What is a parallel capacitor? Cp is the expression for the equivalent capacitance when four capacitors are connected in parallel. (8.3.6) q = q 1 + q 2 + q 3. If the potential difference between points a an b vab= 120v find the charge of the second capacitor. Canceling v from the equation, we obtain the equation for the total capacitance in parallel. C p = c 1 + c 2 + c 3 + ….

How to calculate the total capacitance for capacitors in parallel.capacitors in series will store the same amount of charge on their plates regardless of the.

Nov 05, 2020 · to find the equivalent capacitance c p of the parallel network, we note that the total charge q stored by the network is the sum of all the individual charges: Calculate the equivalent capacitance between the points a and b. C eq =c 1 +c 2 +c 3 +……+c n 5.the equivalent capacitance of parallel combination of capacitors is greater than any of the individual capacitances. In the circuit given below, c1=60µf, c2=20 µf, c3=9 µf and c4=12 µf. If the potential difference between points a an b vab= 120v find the charge of the second capacitor. Total capacitance in parallel is simply the sum of the individual capacitances. When in series, the equivalent capacitance of two capacitors is given by ceq = (1/c1) + (1/c2), the capacitances add reciprocally. (again the "…" indicates the expression is valid for any number of capacitors connected in parallel.) so, for example, if the capacitors in example 1 were connected in parallel, their capacitance would be In parallel, to find equivalent capacitance, we simply sum the capacitances of the individual capacitors, i.e., ceq = c1 + c2, the capacitances add normally. If there are n capacitors connected in parallel then the equivalent capacitance is, How do you calculate parallel capacitance? Jan 25, 2020 · in case of n capacitors connected in parallel,the equivalent capacitance is given by: This physics video tutorial contains a few examples and practice problems that show you how to calculate the equivalent capacitance when multiple capacitors.

When in series, the equivalent capacitance of two capacitors is given by ceq = (1/c1) + (1/c2), the capacitances add reciprocally how to find equivalent capacitance. In the circuit given below, c1=60µf, c2=20 µf, c3=9 µf and c4=12 µf.